2015-2023年款寶駿汽車維修手冊和電路圖[資料更新]

經過整理,2015-2023年款寶駿汽車全系列已經更新至汽修幫手資料庫內,覆蓋市面上99%車型,包括維修手冊、電路圖、新車特征、車身鈑金維修數據、全車拆裝、扭力、發動機大修、發動機正時、保養、電路圖、針腳定義、模塊傳感器、保險絲盒圖解對照表位置等等!
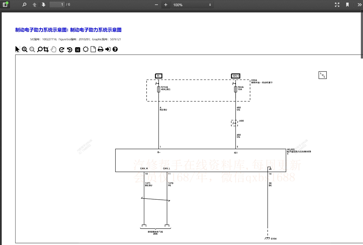
汽修幫手汽車維修資料庫提供各大廠家車型維修手冊、電路圖、新車特征、車身鈑金維修數據、全車拆裝、扭力、發動機大修、發動機正時、保養、電路圖、針腳定義、模塊傳感器、保險絲盒圖解對照表位置等,并長期保持高頻率資料更新!

覆蓋車型:

2023年寶駿云朵維修手冊和電路圖

2023年寶駿悅也維修手冊和電路圖

2021年寶駿Valli維修手冊和電路圖

2021年寶駿RS-7維修手冊和電路圖

2020年寶駿RC-5維修手冊和電路圖

2020年寶駿RC-5W維修手冊和電路圖

2020-2022年寶駿RS-3維修手冊和電路圖

2020-2022年寶駿E300 E300P維修手冊和電路圖

2019-2021年寶駿RC-6維修手冊和電路圖

2019-2021年寶駿510維修手冊和電路圖

2019-2020年寶駿RS-5維修手冊和電路圖

2019-2020年寶駿RM-5維修手冊和電路圖

2018年寶駿E100電路圖

2017年寶駿E100E200維修手冊和電路圖

2017年寶駿310W電路圖

2017-2021年寶駿730維修手冊和電路圖

2017-2021年寶駿530維修手冊和電路圖

2017-2018年寶駿510電路圖

2016-2018年寶駿310 電路圖

2015年五菱寶駿330維修手冊和電路圖

2015年寶駿560維修手冊和電路圖

2014年五菱寶駿610維修手冊和電路圖

2014-2017年寶駿730維修手冊和電路圖

2013年寶駿630維修手冊和電路圖

2015-2023年款寶駿汽車維修手冊和電路圖[資料更新]

2015-2023年款寶駿汽車維修手冊和電路圖[資料更新]

2015-2023年款寶駿汽車維修手冊和電路圖[資料更新]

2015-2023年款寶駿汽車維修手冊和電路圖[資料更新]

2015-2023年款寶駿汽車維修手冊和電路圖[資料更新]

2015-2023年款寶駿汽車維修手冊和電路圖[資料更新]

2015-2023年款寶駿汽車維修手冊和電路圖[資料更新]

2015-2023年款寶駿汽車維修手冊和電路圖[資料更新]